高压脉冲电源和高压功率放大器有什么区别?
高压脉冲源和高压功率放大器在我们的实际测试中都会用的到,因为高压功率放大器也可以被叫做双极性四象限电源,所以两个听起来很像,但实际上二者区别还是很大的,那高压脉冲源和高压功率放大器到底有哪些不同呢?今天就带大家一探究竟~首先来明确一下二者的定义
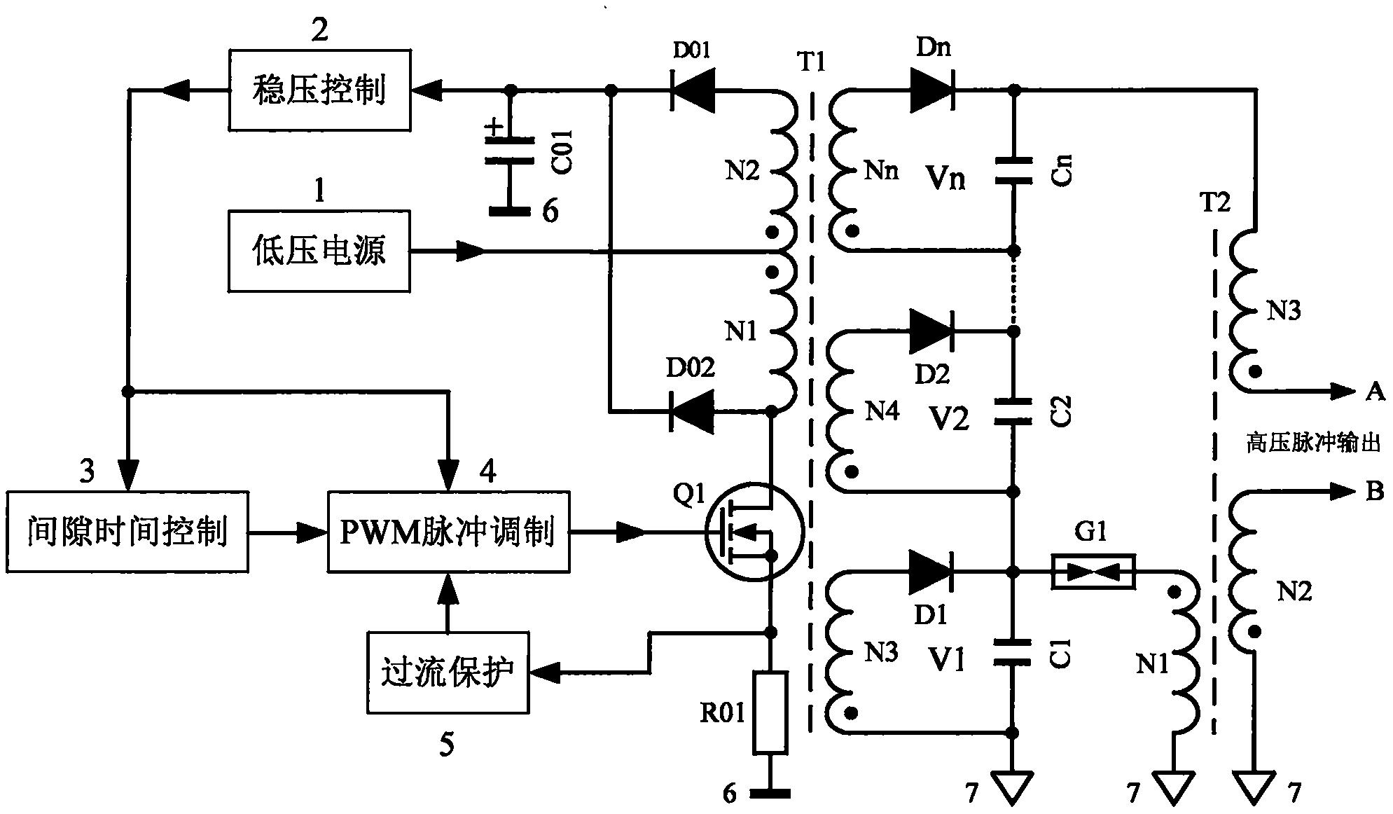
高压脉冲电源
高压脉冲电源是高压电源的一种,是在高压直流电源的基础上增加了脉冲电路,从而输出脉冲幅度可调、脉冲宽度可调、脉冲频率可调、脉冲输出个数可设定的一种特殊的高压直流电源。

高压功率放大器
高压功率放大器是一种高电压幅度输出的信号放大器,幅度一般可达数千伏以上,带宽可达(-3db)dc~3mhz,上升数率可达≥426v/μs,谐波失真度≤0.1%@1khz,100vp-p,是双极性四象限放大器。
高压脉冲电源和高压功率放大器的区别:
高压脉冲电压源是参数范围和波形(脉冲波)固定的电源,能直接发生高电压、高电流、大功率的脉冲信号。
而高压功率放大器是内部具有电压放大电路、将任意波形的外部模拟信号(如信号发生器发出的模拟信号)进行放大、输出的放大器。

高压脉冲电压源的优点:
1、系统构建简单,电压供给系统只需要一个电压源即可。
2、功率输出大,能同时具有高电压、高电流输出,能提供较大功率。
3、在输出信号达千伏级别的时候,其压摆率可达到千伏/微秒级。(而功率放大器的压摆率目前仍在百伏/微秒级)
4、部分型号仪器严格按照国家安规生产设计,满足特殊行业电气设备安全专用要求, (tp 3200满足《gb 9706.4-2009》,可用于人体治疗。配合做成纳米刀细胞消融,用来治疗早期癌细胞。 )

高压功率放大器的优点:
1、高压功率放大器的输出波形多样,可根据信号发生器输入的信号输出高压的各种波形信号。
2、适配性高,不管是高校、研究所还是实验室,一般都会有信号发生器,可直接用功率放大器构建系统。
3、高压脉冲电源的工作频率、最大输出电压、价格是相互矛盾的,简单来说,电压和价格和高压功率放大器相近的条件下,其工作带宽,比高压功率放大器低;工作带宽和最大输出电压和高压功率放大器相近的条件下,价格比高压功率放大器高。
ata-4011b高压功率放大器

ata-4011b高压功率放大器 是一款理想的可放大交、直流信号的单通道高压功率放大器。最大输出 160vp-p(±80vp)电压,112.8wp 功率,可以驱动高压功率型负载。电压增益数控可调,一键保存常用设置,可与主流的信号发生器配套使用,实现信号放大,电源兼容ac110~240v全球电压。
最大输出电压 160vp-p(±80vp)
最大输出电流 1.41ap
带宽(-3db)dc~1.2mhz
压摆率≥426v/μs
直流偏置电压±75v
工作电压 ac110v~240v,50/60hz

以上就是本次分享的全部内容,想要了解更多关于高压功率放大器,或是高压功率放大器的相关应用案例的工程师欢迎继续关注凯发旗舰厅。
西安安泰电子是专业从事功率放大器、高压放大器、功率信号源、前置微小信号放大器、高精度电压源、高精度电流源等电子测量仪器研发、生产和销售的高科技企业,为用户提供具有竞争力的测试方案。aigtek已经成为在业界拥有广泛产品线,且具有相当规模的仪器设备供应商,样机都支持免费试用。如想了解更多功率放大器等产品,请持续关注安泰电子凯发旗舰厅官网www.aigtek.com或拨打029-88865020。
原文链接:https://www.aigtek.com/news/1493.html























